THIẾT KẾ ĐỒ GÁ PHAY MẶT ĐẦU 2 LỖ ∅9 CHI TIẾT CÀNG

Mã đồ án CKMDG2025052
Đánh giá: 5.0
Mô tả đồ án

     Bài tập lớn có dung lượng 65MB. Bao gồm đầy đủ các file như: File bản vẽ cad 2D (Bản vẽ lắp đồ gá phay, bản vẽ phân rã đồ gá phay…); file word (Bản thuyết minh, nhiệm vụ đề tài, bìa thuyết minh…). Ngoài ra còn cung cấp rất nhiều các tài liệu chuyên ngành, các tài liệu phục vụ cho thiết kế bài tập lớn, thư viện dao gia công và chi tiết đồ gá tiêu chuẩn........... THIẾT KẾ ĐỒ GÁ PHAY MẶT ĐẦU 2 LỖ ∅9 CHI TIẾT CÀNG.

Giá: 390,000 VND
Nội dung tóm tắt

MỤC LỤC

DANH MỤC HÌNH VẼ..........................................................................................................................................2

DANH MỤC BẢNG BIỂU................................................................................................................................... 3

DANH MỤC KÍ TỰ VIẾT TẮT............................................................................................................................. 4

LỜI NÓI ĐẦU...................................................................................................................................................... 5

PHẦN I: PHÂN TÍCH YÊU CẦU KY THUẬT CỦA NGUYÊN CÔNG VÀ TRÌNH TỰ THIẾT KẾ ĐỒ GÁ........... 6

1.1  Phân tích yêu cầu kĩ thuật của nguyên công............................................................................................... 6

1.2  Trình tự thiêt kế đồ gá.................................................................................................................................. 6

PHẦN II: PHÂN TÍCH SƠ ĐỒ GÁ ĐẶT NGUYÊN CÔNG................................................................................. 7

2.1  Phương án I................................................................................................................................................. 7

2.2  Phương án II................................................................................................................................................ 8

PHẦN III: TÍNH TOÁN THIẾT KẾ VÀ LỰA CHỌN CÁC CƠ CẤU ĐỊNH VỊ CỦA ĐỒ GÁ............................... 10

3.1  Lựa chọn cơ cấu định vị............................................................................................................................. 10

3.2  Tính toán và lựa chọn cơ cấu kẹp chặt...................................................................................................... 14

3.2.1  Sơ đồ phân tích lực................................................................................................................................. 14

3.2.2  Lựa chọn và xác định cơ cấu kẹp............................................................................................................ 18

3.3  Xác định các cơ cấu khác của đồ gá.......................................................................................................... 20

PHẦN IV: TÍNH TOÁN SAI SỐ CHẾ TẠO CHO PHÉP VÀ YÊU CẦU KĨ THUẬT CỦA ĐỒ GÁ.......................23

4.1  Tính sai số chế tạo cho phép...................................................................................................................... 23

4.2  Yêu cầu kĩ thuật của đồ gá......................................................................................................................... 23

BẢN VẼ LẮP 2D ĐỒ GÁ (A3).......................................................................................................................... 25

BẢN VẼ PHÂN RÃ 3D ĐỒ GÁ (A3)................................................................................................................. 26

DANH MỤC TÀI LIỆU THAM KHẢO................................................................................................................ 27

LỜI NÓI ĐẦU

Trong những năm gần đây, chúng ta đã chứng kiến sự phát triển mạnh mẽ của các ngành công nghiệp mới nói chung và ngành Cơ khí nói riêng. Là một ngành đã ra đời từ lâu với nhiệm vụ là thiết kế và chế tạo máy móc phục vụ cho các ngành công nghiệp khác. Do vậy đòi hỏi kỹ sư và cán bộ ngành Cơ khí phải tích lũy đầy đủ & vững chắc những kiến thức cơ bản nhất của ngành, đồng thời không ngừng trau dồi và nâng cao vốn kiến thức đó để giải quyết những vấn đề cụ thể thường gặp trong quá trình sản xuấtthực tiễn.

Nhằm cụ thể hóa những kiến thức đã học thì môn học Đồ gá nhằm mục đích đó. Trong quá trình thiết kế đồ gá môn học sinh viên được làm quen với cách sử dụng tài liệu, sổ tay công nghệ, tiêu chuẩn và có khả năng kết hợp, so sánh những kiến thức lý thuyết với thực tế sản xuất. Mặt khác khi thiết kế đồ án, sinh viên có dịp phát huy tốiđa tính độc lập sáng tạo, những ý tưởng mới lạ để giải quyết một vấn đề công nghệ cụ thể. Do tính quan trọng của Đồ án mà môn bắt buộc đối với sinh viên chuyên ngành Cơ khí và một số ngành có liên quan.

Qua một thời gian tìm hiểu với sự hướng dẫn chỉ bảo tận tình của thầy : TS……………., em đã hoàn thành Đồ án môn học Đồ gá được giao. Với kiến thức được trang bị và quá trình tìm hiểu các tài liệu có liên quan và cả trong thực tế. Tuy nhiên, sẽ không tránh khỏi những sai sót ngoài ý muốn do thiếu kinh nghiệm thực tế trong thiết kế. Do vậy, em rất mong được sự chỉ bảo của các thầy cô giáo trong Bộ môn Công Nghệ và sự đóng góp ý kiến của bạn bè để hoàn thiện hơn đồ án của mình.

Em xin chân thành cảm ơn sự hướng dẫn tận tình của thầy : TS……………. người đã tận tình hướng dẫn em trong quá trình thiết kế và hoàn thiện đồ án này.

Em xin chân thành cảm ơn!

                                                                                                                                     Hà Nội, ngày … tháng … năm 20…

                                                                                                                                       Sinh viên thực hiện

                                                                                                                                        ……………….

PHẦN I: PHÂN TÍCH YÊU CẦU KỸ THUẬT CỦA NGUYÊN CÔNG VÀ TRÌNH TỰ THIẾT KẾ ĐỒ

1.1 Phân tích yêu cầu kỹ thuật của nguyên công

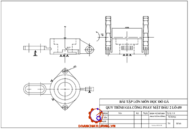
Theo yêu cầu đề bài đưa ra: gia công phay mặt đầu 2 lỗ ∅9 kích thước cần đạt là 16±01(mm)

Yêu cầu kỹ thuật:

- Độ nhám bề mặt yêu cầu : Rz= 20

- Dung sai cho phép là ±0,1 mm

- Gia công xong làm sạch bavia cạnh sắc.

1.2 Trình tự thiết kế đồ gá

Thiết kế đồ gá gia công cắt gọt bao gồm các bước cơ bản sau:

- Bước 1: Nghiên cứu sơ đồ gá đặt phôi và các yêu cầu kỹ thuật của nguyên công, xác định bề mặt chuẩn, chất lượng bề mặt cần gia công, độ chính xác về kích thước hình dạng, số lượng chi tiết gia công và vị trí của các cơ cấu định vị và kẹp chặt trên đồ gá.

- Bước 2: Xác định lực cắt, momen cắt, phương chiều điểm đặt lực kẹp, và các lực cùng tác động vào chi tiết như trọng lực chi tiết G, phản lực tại các điểm N, lực ma sát Fms… trong quá trình gia công. Sau đó viết các phương trình cân bằng về lực để xác định giá trị lực kẹp cần thiết.

- Bước 5: Xác định sai số chế tạo cho phép của đồ gá.

- Bước 6: Ghi kích thước giới hạn của đồ gá (chiều dài, chiều rộng, chiều cao). Đánh số vị trí của các chi tiết trên đồ gá. Nét vẽ đường bao của chi tiết gia công nên để nét chấm gạch màu đỏ.

PHẦN II: PHÂN TÍCH SƠ ĐỒ GÁ ĐẶT NGUYÊN CÔNG

2.1 Phương án I

* Sơ đồ gá đặt:

Sơ đồ định vị theo phương án 1 như hình 1.1.

* Phân tích định vị:

Để đảm bào gia công đạt yêu cầu kỹ thuật thì chi tiết phảiđược hạn chế cả 6 bậc tự do:

- Mặt oxy hạn chế 3 bậc tự do bởi phiến tì : quay quanh Ox, Oy và tịnh tiến Oz.

- Mặt oyz hạn chế 2 bậc tự do bởi chốt trụ ngắn: tịnh tiến Ox, Oy.

* Phân tích kẹp chặt:

Phương lực kẹp: lực W có phương thẳng đứng và vuông góc với bề mặt định vị chính.

Chiều lực kẹp:

- Hướng từ trên xuống bề mặt định vị.

- Chiều của lực kẹp cùng chiều với lực tiến dao.

- Điểm đặt lực

2.2 Phương án II

* Sơ đồ gá đặt:

Sơ đồ phân tích lực theo phương án 2 như hình 1.2.

* Phân tích định vị

Để đảm bào gia công đạt yêu cầu kỹ thuật thì chi tiết phải được hạn chế cả 6 bậctự do:

- Mặt oxy hạn chế 3 bậc tự do bởi phiến tì :quay quanh Ox, Oy và tịnh tiến Oz.

- Mặt oyz hạn chế 2 bậc tự do bởi chốt trụ khía nhám : tịnh tiến Ox, Oy.

- Mặt oxz hạn chế 1 bậc tự do bởi chốt tỳ : quay Oz.

* Phân tích kẹp chặt:

Phương lực kẹp: lực W có phương ngang và song song với bề mặt gia công Chiều lực kẹp:

- Cướng từ phải sang trái bề mặt định vị..

- Chiều của lực kẹp vuông góc với lực tiến dao.

- Vuông góc trọng lực của chi tiết.

Kết luận: Qua trên ta có thể thấy cả 2 phương án đều có khả thi nhưng phương án 2 thì có thiết kế đơn giản hơn, độ chính xác khi định vị cao hơn.

=> Lựa chọn phương án 2 để thiết kế đồ gá.

PHẦN III: TÍNH TOÁN THIẾT KẾ VÀ LỰA CHỌN CÁC CƠ CẤU CỦA ĐỒ GÁ

3.1 Lựa chọn cơ cấu định vị

Cơ cấu định vị phải phù hợp với bề mặt dùng làm chuẩn định vị của chi tiết gá đặt về mặt hình dáng và kích thước.

- Cơ cấu định vị cần phải đảm bảo độ chính xác (cấp chính xác IT6÷IT7).

- Độ nhám bề mặt làm việc của cơ cấu định vị đạt Ra= 0,63÷0,32.

- Cơ cấu định vị phải có tính chống mài mòn cao, đảm bảo tuổi thọ qua nhiều lần gá đặt.

* Lựa chọn cơ cấu định vị:

- Phiến tỳ:

Yêu cầu kỹ thuật:

+ Cấp chính xác IT6¸IT7.

+ Độ nhám bề mặt làm việc Ra = 0,63 ¸0,32.

+ Chống mài mòn cao, đảm bảo tuổi thọ.

+ Vật liệu: Các loại thép 20X, 40X. Thép 20X thấm cacbon hoặc thép C45..

- Chốt tỳ đầu phẳng:

Yêu cầu kỹ thuật:

+ Cấp chính xác IT6¸IT7.

+ Độ nhám bề mặt làm việc Ra = 0,63 ¸0,32.

+ Chống mài mòn cao, đảm bảo tuổi thọ.

- Chốt tỳ đầu phẳng:

Yêu cầu kỹ thuật:

+ Cấp chính xác IT6¸IT7.

+ Độ nhám bề mặt làm việc Ra = 0,63 ¸0,32.

+ Chống mài mòn cao, đảm bảo tuổi thọ.

+ Nhiệt luyện đạt độ cứng vững 50¸60HRC

3.1Tính toán và lựa chọn cơ cấu kẹp chặt

3.2.1 Sơ đồ phân tích lực

Sơ đồ lực tác dụng như hình 3.4.

Trong quá trình gia công phay:

- Moomen xoắn M của dụng cắt do lực cắt gây ra: Pz hướng theo chiều cắt.

- Lực kẹp W1= W2 đối xứng với N theo phương Oz chiều từ trên xuống.

- Lực Fms1= Fms2; (Fms1’ = Fms2’), sinh ra tại vị trí kẹp theo phương Oy, chiều ngược hướng lực cắt P.

- Trọng lực Q của chi tiết, nhưng có thể bỏ qua trong quá trình tính toán do giá trị nhỏ.

* Trường hợp nguy hiểm

- Khi gia công tại đầu với lực cắt P

- Chi tiết có xu hướng dịch chuyển quay quanh OY tại điểm A:

+ Chi tiết có xu hướng tịnh tiến trượt dọc theo Ox

+ Lực cắt P

=> Để chi tiết không bị xoay thì lực gia công £ lực kẹp.

* Tính lực kẹp:

Ta có phương trình cân bằng lực Momen:

(Fms1 + Fms2 ) = P              (1)

Phương trình cân bằng lực theo phương Oz:

W = N1 + N2

Thay vào phương trình (1) ta có:

(W.f1 + N. f2 ) - P = 0

Mà W = N

=> W.f1+Wf2 – p = 0

* Tính lực gia công và lực kẹp:

Các lực hoạt động

- Lực cắt Pz.

- Lực kẹp W1=W2.

- Lực mã sát Fms1, Fms2

- Lực cắt khi phay.

Tính lực cắt khi phay:

D = 125 : đường kính dap phay.

Z=10 : số răng dụng cụ cắt.

N = 235 vòng/phút: số vòng quay dụng cụ.

B=50 : chiều dài lớn nhất mà dụng cụ cắt có thể làm việc

=> Thay số ta được: Pz = 1489 N

- Tính Momen trên trục chính gia công:

=> Thay số ta được: Mz = 930 N

- Lực kẹp chi tiêt:

=> Thay số ta được: W= 3722 N

- Lực lẹp cần thiết:

Wct = W.k

Trong đó: W: lực kẹp lý thuyết W = 3722 (N)

K = k0.k1.k2.k3.k4.k5.k6

=> k= 1,5.1.1,2.1.1,3.1.1,5 = 3,5

Suy ra lực kẹp cần thiết cho chi tiết là:

Wct = K.W=3,5.3722=13027(N)

3.2.2. Lựa chọn và xác định cơ cấu kẹp

- Chọn cơ cấu vít kẹp:

Ta lựa chọn cơ cấu kẹp chặt bằng ren vít và khối V di động. Lực tác dụng lên cần của cơ cấu được xác định bằng công thức:

Q = (Wct.tan⁡(α+φ0 ).rtb+tgφ0.R)/L

Trong đó:

Q : lực đặt tay quay hoặc chìa vặn (cờ lê)

Wct : lực kẹp chặt.

L: khoảng cách từ tâm ren vít đến điểm đặt lực Q

rtb: bán kính trung bình của ren vít.

α: Góc nâng cảu ren vít, α = 2030¸ 3030

φ0: Góc ma sát trong cặp ren vít.

Đường kính ngoài dnah nghĩa của ren vít được xác định theo công thức sau:

D = √(Wct/(0,5.[σ]k.3.5)=11,13 (mm))

Chọn bu long tiêu chuẩn M12 để kẹp chi tiết.

Yêu cầu kỹ thuật:

+ Cấp chính xác IT6¸IT7.

+ Độ nhám bề mặt làm việc Ra = 0,63 ¸0,32.

+ Chống mài mòn cao, đảm bảo tuổi thọ.

3.3. Xác định các cơ cấu khác của đồ gá

+ Thân đồ gá.

+ Cữ so dao.

+ Thân chốt định vị.

PHẦN IV: TÍNH TOÁN SAI SỐ CHẾ TẠO CHO PHÉP VÀ ĐỀ RA CÁC YÊU CẦU KỸ THUẬT CỦA ĐỒ GÁ

4.1 Tính sai số chế tạo cho phép

-  Sai số gá đặt:

εgd = (1/5  ÷  1/3) . δ                         (4.2)

=>εgd= 1/5 . 200 = 67 (μm)

-  Sai số mòn đồ gá:

Suy ra: εm =  √N = 0,2 . √12500 = 22,36 (μm)

- Sai số điều chỉnh, 𝜀𝑑𝑐 Sai số điều chỉnh là sai số trong lắp ráp và điều chỉnh đồ gá 𝜀𝑑𝑐 = 5÷10 μm. Chọn: 𝜀𝑑𝑐 =10μm

- Sai số chuẩn, 𝜀 : chuẩn định vị trùng với gốc kích thước nên 𝜀𝑐 =0

Vậy thay số được: [εct ] = √(672-(0 + +102 + 22,362) )=62,36(𝜇𝑚) = 0,062 (𝑚𝑚)

4.2 Yêu cầu kỹ thuật của đồ gá

- Kiểm tra các kích thước của cơ cấu kẹp.

- Kiểm tra các chế độ lắp ghép chi tiết đặc biệt là kích thước thay đổi của đồ gá.

- Độ không vuông góc giữa phiến tỳ và bề mặt thân đồ gá không vượt quá 0,062 mm

DANH MỤC TÀI LIỆU THAM KHẢO

[1]. GS.TS. Nguyễn Đắc Lộc, Sổ tay Công nghệ Chế tạo máy 1,2 và 3, Hà Nội: NXB Khoa học kỹ thuật, 2007.

[2]. Trần Văn Địch, Sổ tay Atlas đồ gá, Hà Nội: Nhà xuất bản Khoa học và Công nghệ, 2000.

[3]. Nguyễn Ngọc Đào, Chế độ cắt gia công cơ khí, Đà Nẵng: Nhà xuất bản Đà Nẵng, 2002.

[4]. Phạm Văn Bổng, Giáo trình Đồ Gá, Hà Nội: Nhà Xuất Bản Khoa Học và Kĩ Thuật, 2015.

[5]. Ninh Đức Tốn, Sổ tay Dung sai lắp ghép, Hà Nội: NXB Giáo Dục, 2003.

"TẢI VỀ ĐỂ XEM ĐẦY ĐỦ BÀI TẬP LỚN"