THIẾT KẾ ĐỒ GÁ PHAY MẶT ĐẦU CHI TIẾT DẠNG CÀNG

Mã đồ án CKMDG2025035
Đánh giá: 5.0
Mô tả đồ án

     Bài tập lớn có dung lượng 75MB. Bao gồm đầy đủ các file như: File bản vẽ cad 2D (Bản vẽ lắp đồ gá, bản vẽ phân rã đồ gá, bản vẽ tách chi tiết đồ gá…); file word (Bản thuyết minh, nhiệm vụ đề tài, bìa thuyết minh…). Ngoài ra còn cung cấp rất nhiều các tài liệu chuyên ngành, các tài liệu phục vụ cho thiết kế bài tập lớn, thư viện dao gia công và chi tiết đồ gá tiêu chuẩn........... THIẾT KẾ ĐỒ GÁ PHAY MẶT ĐẦU CHI TIẾT DẠNG CÀNG.

Giá: 390,000 VND
Nội dung tóm tắt

MỤC LỤC

MỤC LỤC…………………………………………………………......................................................................……i

DANH MỤC HÌNH VẼ…………………………………………..............................................................…...........…ii

DANH MỤC BẢNG BIỂU…………………………………………...................................................................……iii

DANH MỤC KÝ TỰ VIẾT TẮT……………………………….…...................................................................…..…iv

LỜI NÓI ĐẦU………………………………………………………...............................................................….....…v

PHẦN I: PHÂN TÍCH YÊU CẦU KỸ THUẬT CỦA NGUYÊN CÔNG VÀ TRÌNH TỰ THIẾT KẾ ĐỒ GÁ............1

1.1. Phân tích yêu cầu kỹ thuật của nguyên công................................................................................................1

1.2. Trình tự thiết kế đồ gá...................................................................................................................................1

PHẦN II. PHÂN TÍCH SƠ ĐỒ GÁ ĐẶT NGUYÊN CÔNG...................................................................................2

2.1. Phương án I...................................................................................................................................................2

2.2. Phương án II..................................................................................................................................................4

PHẦN III: TÍNH TOÁN THIẾT KẾ VÀ LỰA CHỌN CÁC CƠ CẤU CỦA ĐỒ GÁ.................................................6

3.1. Lựa chọn cơ cấu định vị.................................................................................................................................6

3.2. Tính toán và lựa chọn cơ cấu kẹp chặt..........................................................................................................7

3.2.1. Sơ đồ phân tích lực.....................................................................................................................................7

3.2.2. Tính lực kẹp................................................................................................................................................8

3.2.3. Lựa chọn và xác định cơ cấu kẹp..............................................................................................................12

3.3. Xác định các cơ cấu khác của đồ gá.............................................................................................................13

PHẦN IV: TÍNH TOÁN SAI SỐ CHẾ TẠO CHO PHÉP VÀ ĐỀ RA CÁC YÊU CẦU KỸ THUẬT CỦA ĐỒ GÁ...14

4.1. Tính sai số chế tạo cho phép.........................................................................................................................14

4.2. Yêu cầu kỹ thuật của đồ gá............................................................................................................................15

DANH MỤC TÀI LIỆU THAM KHẢO....................................................................................................................16

PHỤ LỤC...............................................................................................................................................................17

LỜI NÓI ĐẦU

Để góp phần vào công cuộc công nghiệp hóa hiện đại hóa đất nước, nghành sản xuất cơ khí cần phải nhanh chóng nâng cao chất lượng và năng suất chế tạo, vì đó là một trong các nghành trọng điểm của nền công nghiệp quốc gia đặc biệt là chế tạo thiết bị và phụ tùng, cung cấp cho các nghành công nghiệp các thiết bị sản xuất. Đồ gá gia công góp phần không nhỏ vào nhiệm vụ đó, bởi máy móc, thiết bị đều phải dùng đến đồ gá mới có thể gia công được.

Một trong những nhiệm vụ chính của chuẩn bị sản xuất là thiết kế và chế tạo các trang thiết bị công nghệ, có thể chiếm tới 80% khối lượng chuẩn bị sản xuất và 10 - 15 % giá thành sản phẩm (giá thành máy). Chi phí cho thiết kế và chế tạo đồ gá chiếm một tỉ lệ lớn trong tổng chi phí cho trang bị công nghệ. Vì vậy việc thiết kế và tiêu chuẩn đồ gá cho phép giảm thời gian sản xuất, tăng năng suất lao động một cách đáng kể.

Đồ án môn học Thiết kế đồ gá là hết sức cần thiết đối với sinh viên khoa cơ khí nói chung và sinh viên nghành chế tạo máy nói riêng, giúp cho sinh viên nắm được những kiến thức cơ bản về đồ gá gia công cơ và cách thức thiết kế đồ gá để gia công một chi tiết nhất định.

Trong thời gian làm đồ án, được sự giúp đỡ chỉ bảo tận tình của thầy giáo : TS......................, em đã hoàn thành đồ án môn học. Tuy nhiên do khả năng và trình độ còn hạn chế nên đồ án còn nhiều thiếu sót, em mong nhận được sự chỉ bảo tận tình của các thầy cô và sự đóng góp chân tình của các bạn giúp em hoàn thành đồ án một cách tốt nhất.

Em xin chân thành cảm ơn!

                                                                                                                                                            Hà Nội, ngày … tháng … năm 20…

                                                                                                                                                           Sinh viên thực hiện

                                                                                                                                                              ……………….

PHẦN I: PHÂN TÍCH YÊU CẦU KỸ THUẬT CỦA NGUYÊN CÔNG VÀ TRÌNH TỰ THIẾT KẾ ĐỒ GÁ

1.1. Phân tích yêu cầu kỹ thuật của nguyên công

- Độ nhám bề mặt gia công RZ = 20, tra bảng tiêu chuẩn cấp độ nhám, ta nhận thấy chất lượng bề mặt gia công cần đạt được là cấp 5.

- Độ không vuông góc giữa mặt đầu và tâm lỗ nhỏ hơn 0.02 mm.

- Làm cùn cạnh sắc.

1.2. Trình tự thiết kế đồ gá

- Bước 1: Nghiên cứu sơ đồ gá đặt phôi và các yêu cầu kỹ thuật của nguyên công, xác định bề mặt chuẩn, chất lượng bề mặt gia công, độ chính xác về kích thước hình dạng, số lượng chi tiết gia công và vị trí của các cơ cấu định vị và kẹp chặt trên đồ gá.

- Bước 2: Xác định lực cắt, momen cắt, phương chiều điểm đặt lực kẹp và các các lực cùng tác động vào chi tiết như trọng lực chi tiết G, phản lực tại các điểm N, lực ma sát Fms… trong quá trình gia công. Xác định các điểm nguy hiểm mà lực cắt hoặc momen cắt gây ra. Sau đó viết phương trình cân bằng về lực để xác định giá trị lực kẹp cần thiết.

- Bước 5: Xác định sai số chế tạo cho phép [εct] của đồ gá theo yêu cầu kỹ thuật của từng nguyên công.

- Bước 6: Ghi kích thước giới hạn của đồ gá (chiều dài, chiều rộng, chiều cao). Đánh số các vị trí của chi tiết trên đồ gá.

PHẦN II: PHÂN TÍCH SƠ ĐỒ GÁ ĐẶT NGUYÊN CÔNG

2.1. Phương án I

* Sơ đồ gá đặt:

Sơ đồ gá đặt theo phương án I như hình 2.1.

* Phân tích định vị:

- Chi tiết được định vị 3 bậc tự do qua mặt đáy nhờ phiến tì, 3 bậc tự do còn lại được định vị bằng 1 khối V di động, một khối V di động.

- Phiến tỳ hạn chế 3 bậc tự do: tịnh tiến theo OZ, xoay quanh OX, xoay quanh OY.

- Khối V cố định kết hợp với khối V di động hạn chế 3 bậc tự do: tịnh tiến theo OX, tịnh tiến theo OY, xoay quanh OZ.

* Phân tích kẹp chặt:

- Cơ cấu được kẹp chặt bằng cơ cấu ren vít, do khối V tùy động tạo ra, hướng của lực kẹp từ phải qua trái.

2.2. Phương án II

* Sơ đồ gá đặt:

Sơ đồ gá đặt theo phương án II như hình 2.2.

* Phân tích định vị:

- Chi tiết được định vị 3 bậc tự qua mặt đáy nhờ phiến tì, 2 chốt trụ khía nhám hạn chế 2 bậc tự do, chốt trụ ngắn chế 1 bậc tự do.

- Phiến tỳ hạn chế 3 bậc tự do: tịnh tiến theo OZ, xoay quanh OX, xoay quanh OY.

* Phân tích kẹp chặt:

- Cơ cấu được kẹp chặt bằng vít kẹp.

Kết luận:

Từ hai phương án đã đưa ra,ta có thể thấy cẩ hai phương án đều có khả thi nhưng ta chọn phương án gá đặt chi tiết là phương án I bởi vì đồ gá dễ tháo lắp và gá đặt, chi tiết ít bị uốn, cong vênh bởi lực kẹp.

PHẦN III:  TÍNH TOÁN THIẾT KẾ VÀ LỰA CHỌN CÁC CƠ CẤU CỦA ĐỒ GÁ

3.1. Lựa chọn cơ cấu định vị

- Cơ cấu định vị phải phù hợp với bề mặt dùng làm chuẩn định vị của chi tiết gá đặt về mặt hình dáng và kích thước.

- Cơ cấu định vị phải đảm bảo về độ chính xác (IT6 ÷ IT7)

- Cơ cấu định vị phải có tính chống mài mòn cao, đảm bảo tuổi thọ qua nhiều lần gá đặt.

* Lựa chọn cơ cấu định vị:

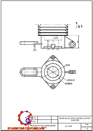
+ Khối V cố định: Tra bảng 8.4 Sổ tay công nghệ chế tạo máy tập 2. Kích thước của khối V cố định được thể hiện trên bản vẽ chi tiết phần phụ lục.

- Vật liệu: thép 20X.

- Độ cứng: HRC 55 ÷ 60

+ Phiến tỳ vành khăn:

- Kích thước của phiến tỳ vành khăn được thể hiện trên bản vẽ chi tiết phần phụ lục.

- Vật liệu: thép 20X.

- Độ cứng: HRC 55 ÷ 60.

3.2. Tính toán và lựa chọn cơ cấu kẹp chặt

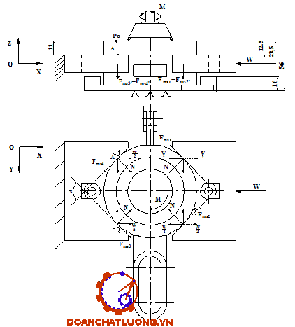
3.2.1. Sơ đồ phân tích lực

* Sơ đồ phân tích lực:

* Giải thích:

Fms1, Fms2, Fms3, Fms4, Fms1‘, Fms2‘, Fms3‘, Fms4‘: Lực ma sát giữa chi tiết và khối V.

W: lực kẹp.

N: phản lực.

Po: lực cắt khi phay.

M: momen xắn trên trục chính.

α: góc của khối V (α = 90o).

3.2.2. Tính lực kẹp

* Trường hợp 1: chi tiết bị xoay quanh OZ

Phương trình cân bằng momen quay quanh OZ:

Từ đó ta tính được: W = 642,3 N

* Trường hợp 2: chi tiết bị lật tại A

Ta có phương trình cân bằng lực tại điểm A:

e : khoảng cách cánh tay đòn từ Po đến A, e = 11 mm

b : khoảng cách cánh tay đòn từ Fms1‘ và Fms2‘ đến A,

c : khoảng cách cánh tay đòn từ W đến A, C = 12,5 mm

Suy ra: P0 = 354,37 kG.

Thay vào phương trình cân bằng tại điểm A: W = 138,7 N.

So sánh 2 trường hợp 1 và 2, ta thấy lực kẹp trường hợp 1 lớn hơn, vậy ta chọn lực kẹp có giá trị W = 642,3 N.

Từ đó ta tính lực kẹp cần thiết:  Wct = W.k

K: hệ số an toàn phụ thuộc vào điều kiện gia công.

K = K0.K1.K2.K3.K4.K5.K6

Từ đó ta có:

K = 1,5. 1,2. 1. 1. 1,3.1 . 1,5 = 3,51

Vậy lực kẹp cần thiết: W = 2254,47 N

3.2.3. Lựa chọn và xác định cơ cấu kẹp

Ta lựa chọn cơ cấu kẹp chặt bằng ren vít và khối V di động.

Kích thước của cơ cấu kẹp được thể hiện trên bản vẽ chi tiết.

Đường kính ngoài danh nghĩa của ren vít được xác định theo công thức sau: D = 8,66 mm

Trong đó:

D: đường kính ngoài của ren (mm)

: ứng suất kéo (60KG/cm2).

Wct: lực kẹp cần thiết.

Chọn bulong M10 để kẹp chi tiết.

Xác định lực kẹp Q của cơ cấu kẹp để tạo ra được giá trị lực W:

Vì Wct và Q cùng phương, cùng chiều nên ta có: Q = Wct =2254,47 (N).

3.3. Xác định các cơ cấu khác của đồ gá

* Khối đỡ khối V cố định:

- Vật liệu: thép CT3.

- Độ cứng: HRC 55 ÷ 60.

- Kích thước của khối đỡ khối V cố định được thể hiện trên bản vẽ chi tiết phần phụ lục.

* Khối đỡ khối V di động:

- Vật liệu: thép CT3.

- Độ cứng: HRC 55 ÷ 60.

- Kích thước của khối đỡ khối V cố định được thể hiện trên bản vẽ chi tiết phần phụ lục.

* Đế đồ gá:

- Vật liệu: thép C45

- Độ cứng: HRC 55 ÷ 60.

- Kích thước của đế đồ gá được thể hiện ở trên bản vẽ chi tiết phần phụ lục.

PHẦN IV:  TÍNH TOÁN SAI SỐ CHẾ TẠO CHO PHÉP VÀ ĐỀ RA CÁC YÊU CẦU KỸ THUẬT CỦA ĐỒ GÁ

4.1. Tính sai số chế tạo cho phép

εgd: sai số gá đặt cho phép

εc:sai số chuẩn

εk:sai số kẹp

εdc:sai số điều chỉnh

Sai số gá đặt tính theo công thức: [e] = 0.06 mm.

Với:  δ : dung sai của kích thước nguyên công.

Do chuẩn định vị trùng với gốc kích thước lên sai số chuẩn .

Do phương kẹp chặt và phương kích thước thực hiện vuông góc với nhau lên.

Từ đó ta có: em = B.N224,5 μm = 0,025 mm

Sai số điều chỉnh khi tính toán đồ gá có thể lấy εdc=10÷15 μm. Chọn εdc=15 μm=0,015 mm.

Từ các số liệu vừa tính, ta tính được chế tạo cho phép của đồ gá [εct]: [εct] = 0.052 mm.

4.2. Yêu cầu kỹ thuật của đồ gá

- Độ không song song giữa mặt phiến tỳ và mặt đáy đồ gá .

- Độ không vuông góc giữa đường tâm khối V ngắn và mặt đế đồ gá

- Độ không vuông góc giữa thân đô gá và mặt đế đồ gá .

- Khối V được nhiệt luyện đạt 55÷60 HRC.

DANH MỤC TÀI LIỆU THAM KHẢO

[1]. GS.TS Nguyễn Đắc Lộc, PGS.TS Lê Văn Tiến, PGS.TS Ninh Đức Tốn, PGS.TS Trần Xuân Việt, Sổ tay công nghệ chế tạo máy 1, Hà Nội: NXBKHKT, 2007.

[2]. GS.TS Nguyễn Đắc Lộc, PGS.TS Lê Văn Tiến, PGS.TS Ninh Đức Tốn, PGS.TS Trần Xuân Việt, Sổ tay công nghệ chế tạo máy 2, Hà Nội: NXBKHKT, 2007.

[3]. Nguyễn Ngọc Đào, Hồ Viết Bình, Trần Thế San, Chế độ cắt gia công cơ khí, NXB Đà Nẵng.

"TẢI VỀ ĐỂ XEM ĐẦY ĐỦ BÀI TẬP LỚN"