THIẾT KẾ ĐỒ GÁ PHAY RÃNH R13 CHI TIẾT CÀNG C28

Mã đồ án CKMDG2025045
Đánh giá: 5.0
Mô tả đồ án

     Bài tập lớn có dung lượng 65MB. Bao gồm đầy đủ các file như: File bản vẽ cad 2D (Bản vẽ lắp đồ gá phay, bản vẽ phân rã đồ gá phay…); file word (Bản thuyết minh, nhiệm vụ đề tài, bìa thuyết minh…). Ngoài ra còn cung cấp rất nhiều các tài liệu chuyên ngành, các tài liệu phục vụ cho thiết kế bài tập lớn, thư viện dao gia công và chi tiết đồ gá tiêu chuẩn........... THIẾT KẾ ĐỒ GÁ PHAY RÃNH R13 CHI TIẾT CÀNG C28.

Giá: 390,000 VND
Nội dung tóm tắt

MỤC LỤC

MỤC LỤC.....................................................................................................................................................................2

LỜI NÓI ĐẦU...............................................................................................................................................................6

Phần I: PHÂN TÍCH YÊU CẦU KỸ THUẬT CỦA NGUYÊN CÔNG VÀ TRÌNH TỰ THIẾT KẾ ĐỒ GÁ......................7

1.1. Phân tích yêu cầu kỹ thuật của nguyên công........................................................................................................7

1.2. Trình tự thiết kế đồ gá...........................................................................................................................................7

Phần II: PHÂN TÍCH SƠ ĐỒ GÁ ĐẶT NGUYÊN CÔNG............................................................................................8

2.1. Phương án I...........................................................................................................................................................8

2.2. Phương án II........................................................................................................................................................10

Phần II:  TÍNH TOÁN THIẾT KẾ VÀ LỰA CHỌN CÁC CƠ CẤU CỦA ĐỒ GÁ ........................................................12

3.1. Lựa chọn cơ cấu định vị.......................................................................................................................................12

3.2. Tính toán và lựa chọn cơ cấu kẹp chặt................................................................................................................13

3.2.1. Sơ đồ phân tích lực...........................................................................................................................................13

3.2.2. Tính lực kẹp.......................................................................................................................................................14

3.2.3. Lựa chọn và xác định cơ cấu kẹp......................................................................................................................17

3.3. Xác định các cơ cấu khác của đồ gá....................................................................................................................19

Phần IV:  TÍNH TOÁN SAI SỐ CHẾ TẠO CHO PHÉP VÀ ĐỀ RA CÁC YÊU CẦU KỸ THUẬT CỦA ĐỒ GÁ...........20

4.1. Tính sai số chế tạo cho phép................................................................................................................................20

4.2. Yêu cầu kỹ thuật của đồ gá...................................................................................................................................21

BẢN VẼ LẮP 2D ĐỒ GÁ (A3).....................................................................................................................................22

BẢN VẼ 3D  PHÂN RÃ ĐỒ GÁ (A3)...........................................................................................................................23

DANH MỤC TÀI LIỆU THAM KHẢO...........................................................................................................................24

LỜI NÓI ĐẦU

Trong những năm gần đây, chúng ta đã chứng kiến sự phát triển mạnh mẽ của các ngành công nghiệp mới nói chung và ngành Cơ khí nói riêng. Là một ngành đã ra đời từ lâu với nhiệm vụ là thiết kế và chế tạo máy móc phục vụ cho các ngành công nghiệp khác. Do vậy đòi hỏi kỹ sư và cán bộ ngành Cơ khí phải tích lũy đầy đủ & vững chắc những kiến thức cơ bản nhất của ngành, đồng thời không ngừng trau dồi và nâng cao vốn kiến thức đó để giải quyết những vấn đề cụ thể thường gặp trong quá trình sản xuất thực tiễn.

Nhằm cụ thể hóa những kiến thức đã học thì môn học Đồ gá nhằm mục đích đó. Trong quá trình thiết kế đồ gá môn học sinh viên được làm quen với cách sử dụng tài liệu, sổ tay công nghệ, tiêu chuẩn và có khả năng kết hợp, so sánh những kiến thức lý thuyết với thực tế sản xuất. Mặt khác khi thiết kế đồ án, sinh viên có dịp phát huy tối đa tính độc lập sáng tạo, những ý tưởng mới lạ để giải quyết một vấn đề công nghệ cụ thể. Do tính quan trọng của Đồ án mà môn bắt buộc đối với sinh viên chuyên ngành Cơ khí và một số ngành có liên quan.

Qua một thời gian tìm hiểu với sự hướng dẫn chỉ bảo tận tình của thầy Nguyễn Việt Hùng , em đã hoàn thành môn học Đồ gá được giao. Với kiến thức được trang bị và quá trình tìm hiểu các tài liệu có liên quan và cả trong thực tế. Tuy nhiên, sẽ không tránh khỏi những sai sót ngoài ý muốn do thiếu kinh nghiệm thực tế trong thiết kế. Do vậy, em rất mong được sự chỉ bảo của các thầy cô giáo trong Bộ môn Công Nghệ và sự đóng góp ý kiến của bạn bè để hoàn thiện hơn đồ án của mình.

Em xin chân thành cảm ơn sự hướng dẫn tận tình của : TS…………….. người đã tận tình hướng dẫn em trong quá trình thiết kế và hoàn thiện đồ án này.

Em xin chân thành cảm ơn!

                                                                                                                                                 Hà Nội, ngày …. tháng …. năm 20….

                                                                                                                                                  Sinh viên thực hiện

                                                                                                                                                   …………………..

Phần I: PHÂN TÍCH YÊU CẦU KỸ THUẬT CỦA NGUYÊN CÔNG VÀ TRÌNH TỰ THIẾT KẾ ĐỒ GÁ

1.1. Phân tích yêu cầu kỹ thuật của nguyên công

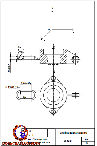
Độ nhám cần đạt là Ra =2.5

Kích thước cần đạt là ∅13 ± 0.02

Dung sai vị trí:

- Khoảng cách 2 lỗ tâm là 40±0.02

- Độ không song song giữa các lỗ nhỏ hơn 0.02mm

- Độ không vuông góc giữa tâm lỗ với mặt đầu nhỏ hơn 0.02mm

1.2. Trình tự thiết kế đồ gá

Thiết kế đồ gá gia công cắt gọt bao gồm các bước cơ bản sau:

- Bước 1: Nghiên cứu sơ đồ gá đặt phôi và các yêu cầu kỹ thuật của nguyên công, xác định bề mặt chuẩn, chất lượng bề mặt cần gia công, độ chính xác về kích thước hình dạng, số lượng chi tiết gia công và vị trí của các cơ cấu định vị và kẹp chặt trên đồ gá.

- Bước 2: Xác định lực cắt, momen cắt, phương chiều điểm đặt lực kẹp, và các lực cùng tác động vào chi tiết như trọng lực chi tiết G, phản lực tại các điểm N, lực ma sát Fms… trong quá trình gia công. Sau đó viết các phương trình cân bằng về lực để xác định giá trị lực kẹp cần thiết.

- Bước 5: Xác định sai số chế tạo cho phép của đồ gá.

- Bước 6: Ghi kích thước giới hạn của đồ gá (chiều dài, chiều rộng, chiều cao). Đánh số vị trí của các chi tiết trên đồ gá. Nét vẽ đường bao của chi tiết gia công nên để nét chấm gạch màu đỏ.

Phần II: PHÂN TÍCH SƠ ĐỒ GÁ ĐẶT NGUYÊN CÔNG

2.1. Phương án I

* Sơ đồ gá đặt:

Sơ đồ gá đặt theo phương án I như hình 2.1.

* Phân tích định vị:

- Phiến tỳ định vị 3 bậc tự do:

+ Tính tiến theo OZ, xoay quanh OY,OX

- Chốt trụ ngắn định vị 2 bậc tự do:

+ Tịnh tiến theo OX, tịnh tiến theo OY

- Chốt trám định vị 1 bậc tự do:

+ Xoay quanh OZ

* Phân tích kẹp chặt:

Phương lực kẹp: lực W có phương dọc và vuông góc với bề mặt gia công

Chiều lực kẹp:

- Hướng từ trên xuống bề mặt định vị

- Chiều vuông góc với lực dọc trục

- Song song với trọng lực

- Điểm đặt lực: lực kẹp tác dụng từ bên trên của chi tiết phân bố đều trên bề mặt định vị, tác dụng trong diện tích định vị.

2.2. Phương án II

* Sơ đồ gá đặt:

Sơ đồ gá đặt theo phương án II như hình 2.2.

* Phân tích định vị:

- Phiến tỳ định vị 3 bậc tự do:

+ Tính tiến theo OZ, xoay theo OY,OX

- Khối V ngắn định vị 2 bậc tự do:

+ Tịnh tiến theo Ox, xoay theo OZ

- Chốt trám định vị 1 bậc tự do

+ Tịnh tiến theo OY

* Phân tích kẹp chặt:

Phương lực kẹp: lực W có phương dọc và vuông góc với bề mặt gia công

Chiều lực kẹp:

- Hướng từ trên xuống bề mặt định vị

- Chiều vuông góc với lực dọc trục

- Song song với trọng lực

Kết luận: Chọn phương án gá đặt chi tiết là phương án 1

Phần III. TÍNH TOÁN THIẾT KẾ VÀ LỰA CHỌN CÁC CƠ CẤU CỦA ĐỒ GÁ

3.1. Lựa chọn cơ cấu định vị

- Định vị :

Dùng 1 phiến tỳ hạn chế 3 bậc tự do.

Chốt trụ ngắn và chốt trám hạn chế 3 bậc tự do vào lỗ R9

3.2. Tính toán và lựa chọn cơ cấu kẹp chặt

Kẹp chặt : Dùng 2 mỏ kẹp đơn kẹp chặt

3.2.1. Sơ đồ phân tích lực

Sơ đồ phần bố lực như hình 3.3.

Trong quá trình gia công phay, có các lực tác dụng sau:

- W : lực kẹp

- Fms1 : lực ma sát giữa phiến tì với chi tiết

- Fms2 : lực ma sát giữa mỏ kẹp với chi tiết

- Fms3 : lực ma sát giữa mỏ kẹp với chi tiết

- Mx : momen xoắn

- N1 : phản lực từ phiến tì lên chi tiết

- N2 : phản lực từ chi tiết lên mỏ kẹp

- Pz : lực cắt

3.2.2. Tính lực kẹp

a, Hệ thống gia công:

* Chọn máy :

Một số thông số cơ bản của máy [2] như bảng 3.1.

* Chọn dao:

+ Chọn dao: T15K6

+ Một số đặc tính của T15K6

b, Tính lực cắt :

Z: số răng

N : số vòng quay của dao, vòng/ phút

Cp và các số mũ trong bảng 5.41 (CNCTM 2)

KMV : hệ số điều chỉnh cho chất lượng của vật liệu gia công đối với thép và gang

Thay vào công thức ta được: Pz =366  (N)

- Mômen do lực PZ gây ra làm quay chi tiết quanh trục dao là:

MZ = 47,58 (N.m)

MZ = 47580 (N.mm)

- Lực chạy dao:

Px = 0,4. PZ = 0,4.366 = 146,4 (N)

c, Tính lực kẹp

- Lực ma sát trên phiến tì  

Fms1 = N1.f1

=> Fms1 = (W1 + W2 ).f1

* Trường hợp 1: Chi tiết bị xoay quanh trục dao

- Phương trình cân bằng momen khi chi tiết quay quanh trục dao:

MZ = 125.Fms2 + 125.Fms3

MZ = 125.W1.f2 + 125.W2.f2

=> 25.W1 + 25.W2 = 47580

* Trường hợp 2: Chi tiết bị tịnh tiến bởi lực Px

- Xét phương trình cân bằng lực:

Px = Fms1 - Fms2 + Fms3

=> (W1 + W2 ).f1 - W1.f2 + W2.f2 = 146,4

=>  -0,1.W1 + 0,3.W2 = 146,4

Kết luận:  Ta tìm được cặp giá trị W1 và W2:

W1 = 1061,4 (N)

W2 = 841,8 (N) 

- Để đảm bảo an toàn ta cần nhân thêm hệ số an toàn K theo công thức:

WCT = K. W              (3.6)

Trong đó:  K : hệ số an toàn:

k = k0 . k1 . k2 . k3 . k4 . k5 . k6

=> k = 1,5 . 1 . 1 . 1,2 . 1,3. 1 . 1,5 = 3,51

Vậy: WCT > k.W

=>  WCT = 3,51.1061,4  =3725,5 (N)

3.2.3. Lựa chọn và xác định cơ cấu kẹp

- Cơ cấu kẹp chặt phải thoả mãn các yêu cầu :

+ Khi kẹp phải đúng vị trí cần kẹp trên chi tiết.

+ Lực kẹp tạo ra phải đủ lớn (nghĩa là không quá nhỏ gây mất an toàn hoặc quá lớn gây biến dạng phôi)

Phương trình cân bằng các mômen lực đối với điểm tỳ cố định được viết như sau:

Q. L2. h = WCT. (L1+L2 )

Ta có: Q = 2. WCT = 7451 (N)

Đường kính bu lông:

Với: Thép cacbon thông thường như CT3 thì sch = 240(N/ mm ); hệ số an toàn s=3 với thép cacbon chịu tải tĩnh.

=> Thay số ta được: d = 9,65 (mm)

Do đó ta chọn bu lông chuẩn M10.

3.3. Xác định các cơ cấu khác của đồ gá

* Thân đồ gá :

Với đề bài cho gia công chi tiết N=6500 là gia công chi tiết loại lớn. Vì vậy ta phải lựa chọn thân đồ gá có độ cứng vững cao. Ta chọn thân đồ gá dạng đúc

Vật liệu : GX 15-32

Phần IV: TÍNH TOÁN SAI SỐ CHẾ TẠO CHO PHÉP VÀ ĐỀ RA CÁC YÊU CẦU KỸ THUẬT CỦA ĐỒ GÁ

4.1. Tính sai số chế tạo cho phép

+ Sai số kẹp chặt:

ek = 0 mm (do phương của lực kẹp vuông góc với phương kích thước thực hiện)

+ Sai số mòn:

em = β.N2          (4.2)

Với:

β = 0,3- 0,8, chọn b = 0,3

N = 6500 (chi tiết)

Vậy:  em= 0,3.65002 =24,18(mm) = 0,024 mm

+ Sai số gá đặt:   

egd = (1/5÷1/2).d

Với: d: Dung sai kích thước cần đạt của nguyên công là: d = 0,4 (mm)

=> Chọn  egd = 1/2.d = .0,4.1/2 = 0,2 (mm)

+ Sai số chuẩn: ec = 0 (vì gốc kích thước trùng với chuẩn định vị)

=>  Thay số ta được: ect = 0,2 mm

4.2. Yêu cầu kỹ thuật của đồ gá

Độ không song song giữa mặt đáy đồ gá và mặt phiến tỳ ≤ 0,2 mm.

Độ không vuông góc giữa chốt trụ và mặt đáy đồ gá ≤ 0,2 mm.

Độ bóng của các bề mặt lắp ráp và định vị cấp 7

Độ cứng của phiến tỳ và chốt tỳ 50-55 HRC .

DANH MỤC TÀI LIỆU THAM KHẢO

[1]. Nguyễn Đắc Lộc, Lê Văn Tiến, Ninh Đức Tốn, Trần Xuân Việt, Sổ tay công nghệ chế tạo máy tập 1, Nhà xuất bản khoa học và kỹ thuật, Hà Nội,2006.

[2]. Nguyễn Đắc Lộc, Lê Văn Tiến, Ninh Đức Tốn, Trần Xuân Việt, Sổ tay công nghệ chế tạo máy tập 2, Nhà xuất bản khoa học và kỹ thuật, Hà Nội,2007.

[3]. Nguyễn Đắc Lộc, Lê Văn Tiến, Ninh Đức Tốn, Trần Xuân Việt, Sổ tay công nghệ chế tạo máy tập 3, Nhà xuất bản khoa học và kỹ thuật, Hà Nội,2005.

[4]. Nguyễn Ngọc Đào, Hồ Viết Bình, Trần Thế San, Chế độ cắt gia công cơ khí, Nhà xuất bản Đà Nẵng,2005.

[5]. Trần Văn Địch, Thiết kế đồ án Công nghệ chế tạo máy, Nhà xuất bản khoa học và kỹ thuật, Hà Nội,2005.

"TẢI VỀ ĐỂ XEM ĐẦY ĐỦ BÀI TẬP LỚN"